Skip to main content

Projekti

Izgradnja stabenog objekta V - lamela V1, V2 i V3 u Novom Sadu, naselje Jugović

Privremena regulacija saobraćaja tokom izvođenja radova na autoputu E-70 Beograd-Šid

Glavni projekat putokazne saobraćajne signalizacije za grad Beograd

Redefinisanje i utvrđivanje optimalnog režima saobraćaja i namenu saobraćajnih površina u okviru raspoloživih profila saobraćajnica, kroz uvođenje sistema jednosmernih ulica i zona usporenog saobraćaja radi bezbednog i nesmetanog odvijanje dinamičkog i pešačkog saobraćaja uz obezbeđivanje optimalnog broja parking mesta. Prostornim i funkcionalnim uređenjem saobraćajnih površina smanjena je mogućnost nepropisno parkiranih vozila, povećana je bezbednost svih učesnika u saobraćaju, poboljšana je protočnost i omogućen je bolji rad javnih komunalnih službi i nesmetano snabdevanje, a sve sa ciljem kvalitetnijeg života stanovnika i posetilaca.

Projekat turističko informativnih znakova u Crmnici i Ostrosu, Skadarsko jezero - Crna Gora

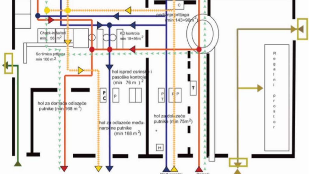
Aerodrom Nikola Tesla, Srbija

Saobraćajne projekte svetlosne, horizontalne i vertikalne saobraćajne signalizacije za novu platformu za razleđivanje i sprečavanje zaleđivanja vazduhoplova

U Studiji opravdanosti za 2030 godinu uradili smo saobraćajne prognoze i dali studiju opravdanosti izgradnje paralelne poletno-sletne staze sa osvrtom na mogućnost ugradnje umetnute poletno-sletne kao lošijeg rešenja

Aerodrom Morava

Tehnološke projekte putnićkog i robnog terminala, pristanišne paltforme i pristanišnog kompleksa.

Glavne projekte saobraćaja i saobraćajne signalizacije.

Aerodrom Turkmenabat u Turkmenistanu - saobraćajna tehnologija za infrastrukturna postrojenja (investitor The WAM Planer and Engineering, Švajcarska)

Aerodrom Turkmenabat u Turkmenistanu - VIP terminal

Europrojekt Inžinjering doo

  • Ova email adresa je zaštićena od spambotova. Omogućite JavaScript u vašem brauzeru da biste je videli.